铁三角ATUC-IR数字红外无线会议系统开启数字会议新篇章

时间:2021/06/11 来源:专业视听网

关键词: audio-technica、铁三角专业产品、ATUC-IR数字红外无线会议系统

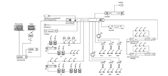
铁三角全新推出的ATUC-IR数字红外无线会议系统集数字化、无线化和红外传输技术的优势于一体,它可以无缝衔接铁三角ATUC-50无线会议系统,提供混合会议系统的操作,同时其更具扩展性的FPGA芯片,内置回声抑制器和处理,可实现更佳音频质量和清晰度。

ATUC-IR数字红外无线会议系统

一般的会议使用都需要严格的保密性与防干扰性,ATUC-IR数字红外无线会议系统拥有防止窃听的红外线传送,保密性好,防窃听,可确保会议安全进行。

反馈抑或器 (FBS)

3 种会议模式

3 种优先模式

2 种发言/触发模式

USB 录音

以网页方式远程控制

多达10 个话筒同时发言

4路矩阵音频输出

每台控制单元可操控多达 200组ATUC-IRDU

4路BNC天线接口

为多达16个ATUC-IRA供电

2路Dante 输入/输出 (ATUC-IRCUDAN)

ATUC-IRDU红外讨论单元

ATUC-IR数字红外无线会议系统设置了双发言按键,可两人共用一个单元,带两路耳机输出。可以通过设置ID来区分会议单元,并使用带光环话筒和任意标准模拟卡农输出的鹅颈话筒。

ATUC-IRA红外收发单元

ATUC-IRA设计了全新的红外收发器,覆盖范围更广。白色的平板外壳,更能融合天花布局,易于安装,便于维护。

ATUC-IRD红外分配单元

ATUC-IRD采用1入2 出的分配连接,配置了1 台 ATUC-IRCU 的4路输出,经两重分配后,可分配达 16 路收发单元配置,覆盖更大型的会议空间。

专用鹅颈式话筒

ATUC-IR可搭配ATUC-M32L、ATUC-M43H、ATUC-M58H专用鹅颈式话筒使用。

混合控制单元ATUC-IRCU

ATUC-IRCU可为多达16个ATUC-IRA红外收发器单元和100个有线讨论单元供电,一台系统可以控制多达300个讨论单元(100个ATUC-50DUa单元和200个ATUC-50DUa单元)。

同时可再串联两台ATUC-50CU子机,扩展至500个会议话筒(300个ATUC-50DUa单元和200个ATUC-50DUa单元)。
中国生产,含中文操作系统。

系统配置

热门技术探讨更多>>

同类产品或技术文章列表更多>>